Nabend zusammen,
aktuell komme ich mit einem Shelly 2PM Gen4 nicht ganz weiter. Im Haus hatte ich schon einige, erfolgreich, verbaut. Jetzt ist eine Markise dazu gekommen, mit Somfy Rohrmotor, also eigentlich wieder ein Rollladen (vom Prinzip her).
Den Motortyp kann ich leider nicht mehr sagen, dafür müsste die Markise demontiert werden und bei über 6 m Breite und 5 m Ausladung wäre das nicht so ganz einfach.
Bei Testfahrten bleibt die Markise irgendwann stehen und braucht wieder eine Weile bis ich sie nutzen kann. Das “Problem” kenne ich allerdings auch im Betrieb zuvor, ohne Shelly. Der Motor braucht für die komplette Ausladung über 1 min. Laufzeit, dabei wird er relativ warm. Nach 3-5x Aus-/Einfahren aktiviert sich der Hitzeschutz und der Motor läuft erst mal nicht mehr.
Möglicherweise ist er unterdimensioniert, kam aber so vormontiert, da gehe ich davon aus das es passt.
Sowohl bei Shelly direkt als auch im Netz finde ich zum Anschluss widersprüchliche Aussagen was den Anschluss angeht.
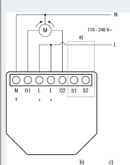
Der Original Schaltplan von Shelly sagt ich muss beide Leiter anklemmen, klar.
Sucht man sich ein wenig durch das Internet findet man ähnliches.
Allerdings findet man auch Bilder, mehrheitlich bei Usern, bei denen eben der Leiter nur 1x aufgeklemmt wird.
Einen Schalter habe ich nicht verbaut, Steuerung läuft rein über HA und testweise Shelly App.
Angeklemmt habe ich, wie auf dem Bild, beide Leiter (der Shelly Mini im Hintergrund ist für eine separate Lampe).
Jetzt bin ich eben unsicher, steigt der Motor aus weil er warm wird oder dürfte der Leiter nur 1x angeklemmt werden?



